エナドリを「なんとなく」飲んでいないか?
ゲーマーにとって、カフェインはもはや必須アイテムです。
しかし、以下のようなに悩まされたことはありませんか?
- 「ここぞという場面で集中が切れる」
- 「深夜まで遊んでしまい、翌日の仕事や学校で使い物にならない」
- 「エナドリを飲んでも、以前ほど効果を感じない」
それは、カフェインの「摂取タイミング」を間違えているからです。
今回は、アメリカ陸軍が開発した、あなたの集中力を「最強」の状態に固定するツール「2B Alert Web」を紹介します。
2B Alert Webとは? 軍事技術を転用した「集中力最適化」ツール
「2B Alert Web」は、米国陸軍が、
兵士の警戒レベルを維持するために開発した生体数理モデルです。
一言で言えば、「あなたの脳の疲労度を予測し、最適なカフェインのキメ時を教えてくれるサイト」です。
公式サイト:2B-Alert Web
※現在は一般公開されており、PC・スマホのブラウザから無料で利用可能です。
ゲーマーが導入すべきメリット
このツールを導入することで、あなたのゲーミング環境は劇的に改善されます。
- 「覚醒状態」の可視化:自分の覚醒度がグラフで表示されるため、「今からランクマに行くべきか、寝るべきか」が数値で判断できます。
- カフェインの「ムダ打ち」をゼロに:適切な時間に少量摂取することで、
震えや焦燥感といった副作用を抑えつつ、最大のパフォーマンスを引き出します。 - 睡眠負債の管理:不足している睡眠がどれほど「パフォーマンスの低下」に繋がっているか、科学的に突きつけられます。
2B Alert Webの最強の使い方
使い方は非常にシンプルです。実際の画面で解説します。
アカウント登録からログインまで

これが2BAlertのトップページです。
装飾は無く、とてもシンプルです。画面下半分は参考文献が記載されているので興味があれば読んでみてください。


右上からUsernameとPasswordは何も入力せずRegisterを選択。(ここで入力しても意味がありません)

各種個人情報を入力する欄です。
FirstName(下の名前)
LastName(上の名前)
Affiliation(所属)
Email Address(メルアド)
をそれぞれ入力していきます。
所属は無所属という意味の「Unaffiliated」で自分は登録しました。

登録完了メールを受け取ったらユーザー名とパスワードが届くのでそれを先ほどのホームページ右上に
それぞれ入力して「Login」をクリック、これでアカウント登録からログインまでは完了です。
自分の睡眠スケジュールを入力

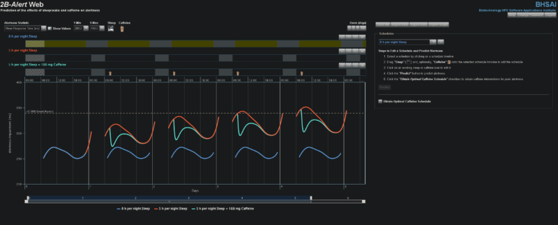
難しそうなグラフが表示されますが
青の線が8時間睡眠、赤が5時間睡眠、緑が5時間睡眠+カフェインを100mg摂取した状態を表しています。
横軸は時間の経過で
グラフの縦軸が上に行くほどAlertnessImpairment(覚醒障害)の度合いが上がっていっているという意味で
意識がボーっとしている状態をグラフで表しています。
グラフ上にある線は血中アルコール濃度が0.06%(少し酔った程度)の状態にあることを示します。
これを見ると8時間睡眠は時間が経過しても一定の意識レベルを保てていますが、
5時間睡眠は時間が経過するにつれ、グラフが上がっていき、意識レベルが下がっていることがわかります。
睡眠って大事。
それでは実際に自分の睡眠時間から意識レベルの測定や最適なカフェインの摂取時間を予測していきます。

画面右、「Schedules」欄から画像の赤枠にある+ボタンを選択して、
自分のスケジュールを作成します。

スケジュール名を適当に設定して「Save」。

グラフの上に自分の設定した名前でバーが表示されます。
このバーにSleepのアイコンをドラッグアンドドロップします。

すると就寝時間と起床時間を入力するボックスが表示されますのでここで睡眠時間を入力します。
カフェインの摂取時間を入力(カフェインを摂取していない場合は省略)

カフェインを摂取していなければこの手順は省いてください。
同様の手順でカフェインのアイコンをバーにドラッグアンドドロップ

カフェインの摂取時間、摂取量を入力するボックスが表示されます。
(コーヒー1杯(140ml)に含まれるカフェインは80mg程度とされています)

ある程度入力出来たら睡眠時間とカフェインが反映されていることを確認します。

確認できたら右の「Schedules」からPredict(意識レベルの予測)をクリックします。

これで自分の睡眠時間から意識レベルがグラフで可視化されます。
最適なカフェインのタイミングを知る

次に「Obtain Optimal Caffeine Schedule」のチェックボックスをクリック。

「Advanced Options」にもチェックを入れ、
「Maximum Caffeine Dose in 24 h」(24時間でカフェインを何mgまでとれるか)
「Maximum Alertness-Impairment Threshold」(意識レベルの上限値)
を設定します。

先ほどのカフェインのアイコンの右に「Peak Alertness」(覚醒状態のピーク)にしたい時間をドラックアンドドロップ
します、仕事に集中したい時間やゲームをする時間などです。

同様にボックスが表示されるので大事な作業や予定がある時間などを入力。

入力出来たら「Optimal Caffeine Schedule 」の「Optimize」をクリック。

自分の設定した「Maximum Alertness-Impairment Threshold」(意識レベルの上限値)を超えないように
適切なカフェインの摂取タイミングを新しくタイムラインバーとグラフで表示してくれます。
設定した意識レベルの上限値が高く睡眠時間が十分とれている場合、
右上に

「No caffeine needed to sustain the desired alertness level.」と表示され、カフェインは不要な状態であると
表示されます。
これで自分がカフェインを取るべき時間と量がわかりました。
通知機能があれば尚よかったのですが残念ながらないので
自力で外部の通知ツールを使用してカフェインをリマインドしてください。
研究が証明する「チート級」の効果
このツールがなぜ「最強」なのか。それは圧倒的なエビデンスに基づいているからです。
- 研究ソース(2016年)
- 検証内容: 米陸軍のアルゴリズムに基づき、睡眠不足の被験者にカフェインを摂取させた際の効果。
- 驚愕の結果: 従来の「なんとなく摂取」に比べ、平均覚醒レベルが36%〜94%向上。さらに、覚醒の減衰(げんすい)を最大71%抑制したことが証明されています。
これはもはや、コーヒーやエナドリを「飲む」のではなく、科学的に「キメる」技術です。
おわりに
エナドリを何本も空けて、震える手でマウスを握る必要はありません。
「2B Alert Web」を使いこなし、
常にトップパフォーマンスで戦場に降り立ちましょう。知識は、最強の装備品です。
また、カフェインの種類はエナドリでもコーヒーでもいいのですが
サプリメントで摂取すると外出先でも手軽に摂れ、量の調整も楽で便利です。
ゲームの効率だけではなく、カフェインも効率的にいきましょう。


コメント